كيف تعمل:
يتم توجيه تناول الهواء من خلال حمام الزيت. هناك تتم إزالة جزيئات الغبار الخشنة من الهواء ثم إعادة توجيه صعودا. يبلد التدفق الصعودي التعبئة المرشح بالزيت من حمام الزيت والأوساخ في الهواء المودعة هناك. يتدفق هذا الزيت مرة أخرى في الحمام ويتم إيداع الأوساخ هناك.
مزايا في لمحة:
منفصلة 99٪ شوائب من الهواء
تحسين كفاءة الوقود لتحقيق اقتصاد الوقود.
تحتاج فقط إلى استبدال النفط، وتوفير التكاليف
سعة العشاء الغبار، ومناسبة لظروف عمل الغبار
تمديد حياة فلتر الهواء التي تستخدم كمنظف ما قبل
تقليل وقت التوقف
خدمة دون قطع الغيار
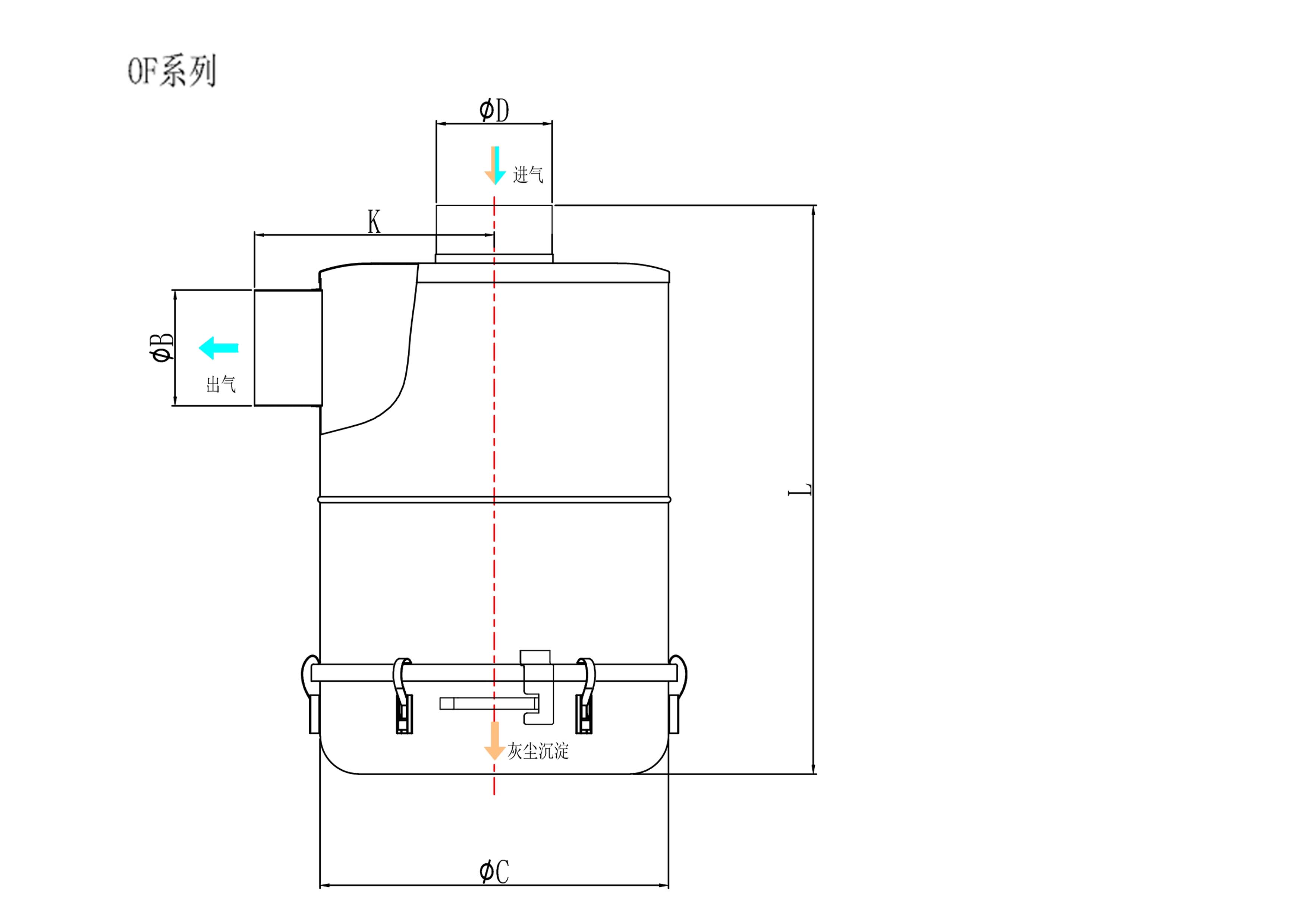
| نموذج | نطاق تدفق الهواء | نطاق القوة | وزن | قياس | |||
| ل (الارتفاع) | φc (القطر) | φb. (قطر أنبوب المخرج) | φd. (داخبات قطر الأنابيب) | ||||
| of21. | 15-21 متر مكعب / دقيقة (531-743CFM) | 180-280HP (134-209KW) | 12.24 كجم | 516mm (20.31 \") | 388 مم (15.28 \") | 133mm (5.24 \") | 152mm (5.98 \") |
| of28. | 21-28 متر مكعب / دقيقة (741-988CFM) | 280-320HP (209-239KW) | 15.31 كجم | 586mm (23.07 \") | 388 مم (15.28 \") | 152mm (5.98 \") | 152mm (5.98 \") |
| of35. | 28-35m³ / دقيقة (988-1235CFM) | 320-380HP (239-283KW) | 18.26 كجم | 746mm (29.37 \") | 388 مم (15.28 \") | 152mm (5.98 \") | 152mm (5.98 \") |
| of40. | 35-43m³ / دقيقة (1235-1517CFM) | 380-450HP (283-336KW) | 21.08 كجم | 781mm (30.75 \") | 388 مم (15.28 \") | 152mm (5.98 \") | 152mm (5.98 \") |
كيف تعمل:
يتم توجيه تناول الهواء من خلال حمام الزيت. هناك تتم إزالة جزيئات الغبار الخشنة من الهواء ثم إعادة توجيه صعودا. يبلد التدفق الصعودي التعبئة المرشح بالزيت من حمام الزيت والأوساخ في الهواء المودعة هناك. يتدفق هذا الزيت مرة أخرى في الحمام ويتم إيداع الأوساخ هناك.
مزايا في لمحة:
منفصلة 99٪ شوائب من الهواء
تحسين كفاءة الوقود لتحقيق اقتصاد الوقود.
تحتاج فقط إلى استبدال النفط، وتوفير التكاليف
سعة العشاء الغبار، ومناسبة لظروف عمل الغبار
تمديد حياة فلتر الهواء التي تستخدم كمنظف ما قبل
تقليل وقت التوقف
خدمة دون قطع الغيار
| نموذج | نطاق تدفق الهواء | نطاق القوة | وزن | قياس | |||
| ل (الارتفاع) | φc (القطر) | φb. (قطر أنبوب المخرج) | φd. (داخبات قطر الأنابيب) | ||||
| of21. | 15-21 متر مكعب / دقيقة (531-743CFM) | 180-280HP (134-209KW) | 12.24 كجم | 516mm (20.31 \") | 388 مم (15.28 \") | 133mm (5.24 \") | 152mm (5.98 \") |
| of28. | 21-28 متر مكعب / دقيقة (741-988CFM) | 280-320HP (209-239KW) | 15.31 كجم | 586mm (23.07 \") | 388 مم (15.28 \") | 152mm (5.98 \") | 152mm (5.98 \") |
| of35. | 28-35m³ / دقيقة (988-1235CFM) | 320-380HP (239-283KW) | 18.26 كجم | 746mm (29.37 \") | 388 مم (15.28 \") | 152mm (5.98 \") | 152mm (5.98 \") |
| of40. | 35-43m³ / دقيقة (1235-1517CFM) | 380-450HP (283-336KW) | 21.08 كجم | 781mm (30.75 \") | 388 مم (15.28 \") | 152mm (5.98 \") | 152mm (5.98 \") |